Блок механизма смыва для писсуара VIEGA VGMono 442439
Описание
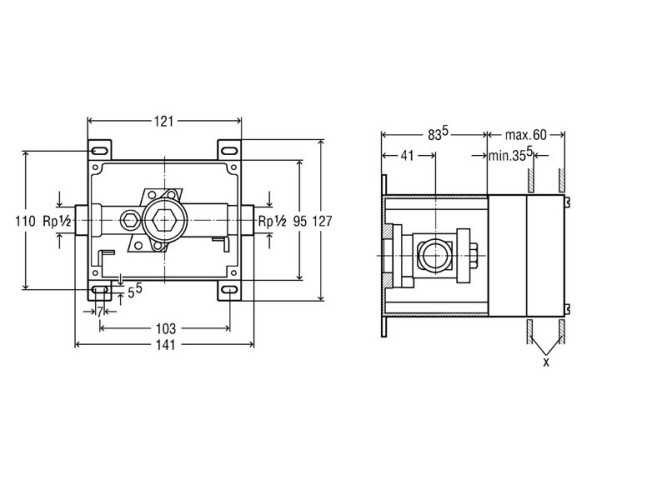
Блок механизма смыва для писсуара Viega Mono 442 439 для следующих случаев применения и использования со следующей продукцией: писсуар со скрытой системой смыва, подключение клавиш ручного и бесконтактного ИК-смыва Visign.
Комплектация: универсальный монтажный комплект с возможностью монтажа в блочных конструкциях, корпус из пластика, предварительно смонтированный корпус смывного клапана, проточная заглушка, возможность перекрытия, подключение воды Rp½, заглушка на время отделочных работ
Характеристики
Коллекция
VGMono
Артикул
442439
Страна
Германия
Ширина, см
11,9
Глубина, см
14,1
Высота, см
12,7
Гарантия
1 год
Вес в упаковке, кг
0,69
Объем в упаковке, м3
0,00485
Отзывы






