Душевой акриловый поддон RADAWAY DELOS SDA0909-01
Бренд:
RadawayОписание
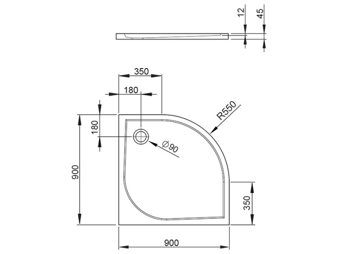
Плоский полукруглый акриловый поддон — радиус r=550мм. Предназначенный для монтажа без ножок — необходимо приклеить на строительный раствор или пену с низким коэффицентом расширения. Отверстие для сифона Ø90мм. Рекомендуемый сифон TB90, TB21, R500, R400 Slim.
Характеристики
Бренд
Radaway
Коллекция
DELOS
Артикул
SDA0909-01
Страна
Польша
Ширина, см
85 85 100
Глубина, см
85
Высота, см
4,5
Гарантия
3 года
Вес в упаковке, кг
8,3
Объем в упаковке, м3
0,032513
Цвет по палитре
Белый
Высота поддона
Низкий
Установка
Напольная
Материал
Акрил
Отзывы

Товары из коллекции











































